詳情
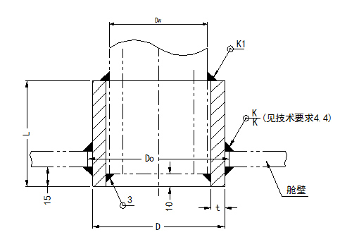
TC型艙壁套管的結構和基本尺寸按圖3和表4。

圖3 TC型艙壁套管
表4 TC型艙壁套管基本尺寸
單位為毫米
|
公稱 通徑 DN |
管子 外徑 Dw |
套 管 |
開孔直徑 Do |
焊縫高度 |
重量(kg) |
|||
|
D |
t |
L |
K |
K1 |
||||
|
10 |
14 |
22 |
3.5 |
60 |
24 |
3 |
3 |
0.20 |
|
15 |
22 |
32 |
4.5 |
34 |
4 |
0.29 |
||
|
20 |
27 |
38 |
5 |
40 |
4 |
0.32 |
||
|
25 |
34 |
48 |
6 |
80 |
50 |
5 |
0.4 |
|
|
32 |
42 |
57 |
6.5 |
59 |
5 |
0.64 |
||
|
40 |
48 |
63.5 |
7 |
65.5 |
0.75 |
|||
|
50 |
60 |
76 |
100 |
78 |
6 |
1.01 |
||
|
65 |
76 |
95 |
8.5 |
97 |
6 |
7 |
1.45 |
|
|
80 |
89 |
114 |
11 |
116 |
8 |
8 |
2.24 |
|
|
100 |
114 |
140 |
12 |
120 |
142 |
9 |
9 |
3.03 |
|
125 |
140 |
168 |
13 |
170 |
10 |
3.97 |
||
|
150 |
168 |
203 |
16 |
150 |
206 |
10 |
11 |
5.80 |
|
200 |
219 |
254a |
257 |
12 |
13 |
8.52 |
||
|
250 |
273 |
308b |
200 |
311 |
10.4 |
|||
|
300 |
325 |
365c |
18 |
368 |
12.3 |
|||
|
350 |
377 |
418d |
422 |
13.8 |
||||
|
400 |
426 |
466e |
469 |
15.8 |
||||
|
450 |
480 |
520f |
250 |
524 |
20.0 |
|||
|
500 |
530 |
573g |
19 |
577 |
21.8 |
|||
|
600 |
630 |
674 |
20 |
300 |
678 |
14 |
15 |
23.2 |
|
注:a 表示用鋼管¢273×28機械加工成所需尺寸。 b表示用鋼管¢325×25機械加工成所需尺寸。 c 表示用鋼管¢377×24機械加工成所需尺寸。 d 表示用鋼管¢426×22機械加工成所需尺寸。 e 表示用鋼管¢480×26機械加工成所需尺寸。 f 表示用厚度18mm鋼板卷製,開坡口雙麵焊,內孔機加工。 g 表示用厚度20mm鋼板卷製,開坡口雙麵焊,內孔機加工。 |
||||||||
掃二維碼用手機看
上一篇::
船用焊接套管TB型連接套管尺寸
下一篇::
船用焊接套管TD型連接套管尺寸
上一篇::
船用焊接套管TB型連接套管尺寸
下一篇::
船用焊接套管TD型連接套管尺寸
- 聯係電話- 0317-6689999 6165555
- 業務郵箱- 9905791@qq.com
- 公司地址- 河北省滄州市鹽山縣城南工業開發區(中原管道南廠)
- 聯係手機-15530461111(微信同步)-孟經理
- 聯係電話- 0317-6689999 6165555
- 業務郵箱- 9905791@qq.com
- 公司地址- 河北省滄州市鹽山縣城南工業開發區(中原管道南廠)
- 聯係手機-15530461111(微信同步)-孟經理
版權所有:河北樱花视频在线免费观看管道有限公司 冀ICP備30849357號-6
熱線:0317-6165555
9905791@qq.com