樱花草黄色电影描述
| Buttweld 180° Elbow Specification: | |||||
| 形式/Type | 等徑(1.0D、1.5D、3D、5D、8D、10D......)Straight Radius | ||||
| 非標帶直邊Non-standard with Straight end. | |||||
| 原材料/Raw Material | 無縫管、焊管(SS)、板焊、圓鋼(鍛製高壓用)。Seamless pipe, Welded pipe, Steel sheet. Round bar(Foring High pressure) | ||||
| 製作工藝/Manufacture Process | 擠壓、熱壓、冷加工、熱加工、焊接、熱處理 。Extrusion moulding, Hot Pressing, Cold-machining, Hot-machining, Welded, Heat treatment | ||||
| 尺寸外徑/Outside Diameter | Seamless Elbow ( 1/2″~24″), ERW / Welded / Fabricated Elbow (1/2″~48″) | ||||
| 壁厚壓力/Wall Thickness | 3mm – 40mm / SCH5, SCH10, SCH20, SCH30, SCH40, STD, SCH80, XS, SCH60, SCH80, SCH120, SCH140, SCH160, XXS | ||||
| 彎頭角度/Product's Angle | 5° – 180° Elbows, 90° and 45° Long Radius Elbows, Long Radius Returns, Short Radius Elbows and Returns | ||||
| 彎曲半徑/Bending Radius | R=1D – 10D, 15D, 20D | ||||
| 增值服務/Value Added Services | 熱浸鍍鋅,環氧樹脂和FBE塗層,電拋光,噴砂,螺紋加工,焊接(Hot Dipped Galvanizing, Epoxy & FBE Coating, Electro Polish, Sand Blasting, Threading, Soldering) | ||||
| 製造標準/Manufacturing Standards | ASME/ANSI B16.9, ASME B16.28, MSS-SP-43, GB/T12459, GB/T13401, SH3408, SH3409, JIS B2311/2220, DIN2617/2616/2615 | ||||
| Buttweld 180° Elbow Material Grades:180度彎頭材質 | |||||
| 不鏽鋼/Stainless Steel | ASTM A403 WP304, 304L, 304H, 309, 310, 316, 316L, 317L, 321, 347 | ||||
| 碳鋼/Carbon Steel | 20#, 20G,Q235-A, ASTM A 234 WPB , WPBW, WPHY 42, WPHY 46, WPHY 52, WPH 60, WPHY 65 & WPHY 70 | ||||
| 低溫鋼/Low Temperature Carbon Steel | 16Mn, ASTM A420 WPL3, A420 WPL6 | ||||
| 合金鋼/Alloy Steel | ASTM / ASME A/SA 234 Gr. WP 1, WP 5, WP 9, WP 11, WP 12, WP 22, WP 91, WB36, 12CrMo, 15Cr5Mo, 1Cr5Mo, 12Cr1MoV | ||||
| 雙相不鏽鋼鋼/Duplex Steel | ASTM A 815, ASME SA 815 UNS NO S31803, S32205. S31254, 254SMO, S32750,904L | ||||
| 鎳合金/Nickel Alloy Steel | ASTM / ASME SB 336 UNS 2200 ( NICKEL 200 ), UNS 2201 (NICKEL 201 ), UNS 4400 (MONEL 400 ), UNS 8020 ( ALLOY 20 / 20 CB 3, UNS 8825 INCONEL (825), UNS 6600 (INCONEL 600 ), UNS 6601 ( INCONEL 601 ), UNS 6625 (INCONEL 625), UNS 10276 ( HASTELLOY C 276 ) | ||||
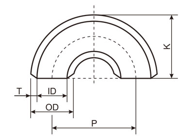
| Buttweld 180° Elbow Dimensions 180度彎頭尺寸 | |||||
| Nominal | Outside Diameter | Center to End | |||
| Pipe Size | at Bevel | Long Radius Elbows | Short Radius Elbows | ||
| (NPS) | D | 90 degree | 45 degree | 90 degree | 45 degree |
| A | A | A | A | ||
| 1/2 | 21.3 | 38.1 | 15.7 | -- | -- |
| 3/4 | 26.7 | 38.1 | 19.1 | -- | -- |
| 1 | 33.4 | 38.1 | 22.4 | 25.4 | -- |
| 11/4 | 42.2 | 47.8 | 25.4 | 31.8 | -- |
| 11/2 | 48.3 | 57.2 | 28.4 | 38.1 | -- |
| 2 | 60.3 | 76.2 | 35.1 | 50.8 | -- |
| 21/2 | 73 | 95.2 | 44.4 | 63.5 | -- |
| 3 | 88.9 | 114.3 | 50.8 | 76.2 | 31.6 |
| 31/2 | 101.6 | 133.4 | 57.2 | 88.9 | 36.8 |
| 4 | 114.3 | 152.4 | 63.5 | 101.6 | 42.1 |
| 5 | 141.3 | 190.5 | 79.2 | 127 | 52.6 |
| 6 | 168.3 | 228.6 | 95.2 | 152.4 | 63.4 |
| 8 | 219.1 | 304.8 | 127 | 203.2 | 84.2 |
| 10 | 273.1 | 381 | 158.8 | 254 | 105.2 |
| 12 | 323.9 | 457.2 | 190.5 | 304.8 | 126.3 |
| 14 | 355.6 | 533.4 | 222.2 | 355.6 | 147.3 |
| 16 | 406.4 | 609.6 | 254 | 406.4 | 168.3 |
| 18 | 457.2 | 685.8 | 285.8 | 457.2 | 189.4 |
| 20 | 508 | 762 | 317.5 | 508 | 210.4 |
| 22 | 558.8 | 838.2 | 342.9 | 558.8 | 231.5 |
| 24 | 609.6 | 914.4 | 381 | 609.6 | 252.5 |
| 26 | 660.4 | 990.6 | 406.4 | 660.4 | 273.5 |
| 28 | 711.2 | 1066.8 | 438.2 | 711.2 | 294.6 |
| 30 | 762 | 1143 | 469.9 | 762 | 315.6 |
| 32 | 812.8 | 1219.2 | 501.6 | 812.8 | 378.1 |
| 34 | 863.6 | 1295.4 | 533.4 | 863.6 | 357.7 |
| 36 | 914.4 | 1371.6 | 565.2 | 914.4 | 378.8 |
| 38 | 965.2 | 1447.8 | 599.9 | -- | -- |
| 40 | 1016 | 1524 | 632 | 1016 | 420.8 |
| 42 | 1066.8 | 1600.2 | 660.4 | 1066.8 | 441.9 |
| 44 | 1117.6 | 1676.4 | 695.5 | 1117.6 | 462.9 |
| 46 | 1168.4 | 1752.6 | 726.9 | -- | -- |
| 48 | 1219.2 | 1828.8 | 759 | 1219.2 | 505 |
| 52* | 1320.8 | -- | -- | 1320.8 | 547.1 |
| 54* | 1371.6 | 2057.4 | 852.2 | 1371.6 | 568.1 |
| 56* | 1422.4 | 2133.6 | 883.8 | 1422.4 | 589.2 |
| 60* | 1524 | 2286 | 946.9 | 1524 | 631.3 |
| 66* | 1676.4 | 2514.6 | 1041.6 | -- | -- |
| 68* | 1727 | 2591 | 1073 | 1727 | -- |
| 72* | 1829 | 2743 | 1137 | 1829 | -- |
| 76* | 1930 | 2896 | 1199 | 1930 | -- |
| 80 | 2032 | 3048 | 1263 | 2032 | -- |
| Dimensions are in millimeters unless otherwise indicated. Wall thickness (t) must be specified by customer. | |||||
- 聯係電話- 0317-6689999 6165555
- 業務郵箱- 9905791@qq.com
- 公司地址- 河北省滄州市鹽山縣城南工業開發區(中原管道南廠)
- 聯係手機-15530461111(微信同步)-孟經理
- 聯係電話- 0317-6689999 6165555
- 業務郵箱- 9905791@qq.com
- 公司地址- 河北省滄州市鹽山縣城南工業開發區(中原管道南廠)
- 聯係手機-15530461111(微信同步)-孟經理
版權所有:河北樱花视频在线免费观看管道有限公司 冀ICP備30849357號-6
熱線:0317-6165555
9905791@qq.com