樱花草黄色电影描述
| Socketweld Cap Specification: | |||||||||||||||||
| Size/尺寸 | 1/8″~4″ (DN6~DN100) | ||||||||||||||||
| Class/壓力等級 | 3000 LBS, 6000 LBS, 9000 LBS | ||||||||||||||||
| Type/連接形式 | Sockeweld,承插焊 | ||||||||||||||||
| Surface Treatment/表麵處理 | Hot Dipped Galvanizing, Epoxy & FBE Coating, Electro Polish, Sand Blasting, Soldering | ||||||||||||||||
| 熱浸鍍鋅、環氧樹脂和FBE圖層、電拋光、噴砂、發黑等。 | |||||||||||||||||
| Materal/材質 | Stainless Steel, Alloy Steel, Duplex, Nickel Alloys, Low temperature Steel, Carbon Steel, Cupro Nickel不鏽鋼、合金鋼、雙相鋼、低溫鋼、碳鋼、鎳基合金 | ||||||||||||||||
| Manufacturing process/製造工藝 | Cutting, Heat treatment, Forging, Machining | ||||||||||||||||
| 鋸切、熱處理、模鍛、機加工 | |||||||||||||||||
| Manufacturing Standards/製造標準 | ASME 16.11, GB/T14383-2018,BS-3799 | ||||||||||||||||
| Socketweld Cap Material Grades: | |||||||||||||||||
| Stainless Steel/不鏽鋼 | ASTM A182 F304, 304L, 316, 316L,310S, 316Ti,317L | ||||||||||||||||
| Duplex & Super Duplex Steel/雙相鋼 | ASTM A 182 – F51, F53, F55, S31803, S32205, S32550, S31254, SMO254, S32750, S32760, S32950. | ||||||||||||||||
| Carbon Steel/碳鋼 | ASTM/ ASME A 105, ASTM/ ASME A 350 LF 2 | ||||||||||||||||
| Alloy Steel/合金鋼 | ASTM / ASME A 182, ASTM / ASME F5, F9, F11,F22, F 91 | ||||||||||||||||
| Copper Alloy Steel/銅合金 | Copper Alloy Steel Forged Threaded 90 Deg Elbow : ASTM / ASME SB 111 UNS NO. C 10100 , C 10200 , C 10300 , C 10800 , C 12000, C 12200, C 70600 C 71500, ASTM / ASME SB 466 UNS NO. C 70600 ( CU -NI- 90/10) , C 71500 ( CU -NI- 70/30) | ||||||||||||||||
| Nickel Alloy/鎳合金 | ASTM / ASME SB 336, ASTM / ASME SB 564 / 160 / 163 / 472, UNS 2200 (NICKEL 200) , UNS 2201 (NICKEL 201 ) , UNS 4400 (MONEL 400 ) , UNS 8020 ( ALLOY 20 / 20 CB 3 ) , UNS 8825 INCONEL (825) , UNS 6600 (INCONEL 600 ) , UNS 6601 (INCONEL 601) , UNS 6625 (INCONEL 625) , UNS 10276 (HASTELLOY C 276) | ||||||||||||||||
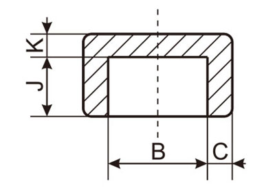
| Socketweld Cap Dimesions: | |||||||||||||||||
![]() |
|||||||||||||||||
| Socket Weld Pressure Class | Pipe Schedule | ||||||||||||||||
| Class 3000 | S80/XH | ||||||||||||||||
| Class 6000 | S160 | ||||||||||||||||
| Class 9000 | XXH | ||||||||||||||||
| DN | Nom. | Socket | Bore Dia.Of Fitting | Socket Wall Thickness(2) | Laying Lengths | Depth of | End Wall Thickness | ||||||||||
| Pipe | Bore | D | C | Coupling | Half | Socket | Min. | ||||||||||
| Size | Dia. | Class Designation | E | Coupling | Min. | K | |||||||||||
| B | Class Designation | 3000 | 6000 | 9000 | F | J | Class Designation | ||||||||||
| 3000 | 6000 | 9000 | Ave. | Min. | Ave. | Min. | Ave. | Min. | 3000 | 6000 | 9000 | ||||||
| 6 | 1/8" | 10.8 | 6.9 | 4 | --- | 3.18 | 3.18 | 3.96 | 3.43 | --- | --- | 6.5 | 16 | 9.5 | 4.8 | 6.4 | --- |
| 8 | 1/4" | 14.2 | 9.3 | 6.4 | --- | 3.78 | 3.3 | 4.6 | 4.01 | --- | --- | 6.5 | 16 | 9.5 | 4.8 | 6.4 | --- |
| 10 | 3/8" | 17.6 | 12.6 | 9.2 | --- | 4.01 | 3.5 | 5.03 | 4.37 | --- | --- | 6.5 | 17.5 | 9.5 | 4.8 | 6.4 | --- |
| 15 | 1/2" | 21.8 | 15.8 | 11.8 | 6.4 | 4.67 | 4.09 | 5.97 | 5.18 | 9.35 | 8.18 | 9.5 | 22.5 | 9.5 | 6.4 | 7.9 | 11.2 |
| 20 | 3/4" | 27.2 | 21 | 15.6 | 11.1 | 4.9 | 4.27 | 6.96 | 6.04 | 9.78 | 8.56 | 9.5 | 24 | 12.5 | 6.4 | 7.9 | 12.7 |
| 25 | 1" | 33.9 | 26.7 | 20.7 | 15.2 | 5.69 | 4.98 | 7.92 | 6.93 | 11.38 | 9.96 | 12.5 | 28.5 | 12.5 | 9.6 | 11.2 | 14.2 |
| 32 | 1-1/4" | 42.7 | 35.1 | 29.5 | 22.8 | 6.07 | 5.28 | 7.92 | 6.93 | 12.14 | 10.62 | 12.5 | 30 | 12.5 | 9.6 | 11.2 | 14.2 |
| 40 | 1-1/2" | 48.8 | 40.9 | 34 | 28 | 6.35 | 5.54 | 8.92 | 7.8 | 12.7 | 11.12 | 12.5 | 32 | 12.5 | 11.2 | 12.7 | 15.7 |
| 50 | 2" | 61.2 | 52.5 | 42.9 | 38.2 | 6.93 | 6.04 | 10.92 | 9.5 | 13.84 | 12.12 | 19 | 41 | 16 | 12.7 | 15.7 | 19 |
| 65 | 2-1/2" | 73.9 | 62.7 | --- | --- | 8.76 | 7.67 | --- | --- | --- | --- | 19 | 43 | 16 | 15.7 | 19 | --- |
| 80 | 3" | 89.8 | 78 | --- | --- | 9.52 | 8.3 | --- | --- | --- | --- | 19 | 44.5 | 16 | 19 | 22.4 | --- |
| 100 | 4" | 115.2 | 102.3 | --- | --- | 10.69 | 9.35 | --- | --- | --- | --- | 19 | 48 | 19 | 22.4 | 28.4 | --- |
| (1) Dimensions in Millimeters. |
| (2) Average of socket wall thickness around periphery shall be no less than listed values. The minimum values are permitted in localized areas. |
| (3) Reducer: C,J,E in accordance with large size, D in accordance with small size, The others in accordance with each size. |
- 聯係電話- 0317-6689999 6165555
- 業務郵箱- 9905791@qq.com
- 公司地址- 河北省滄州市鹽山縣城南工業開發區(中原管道南廠)
- 聯係手機-15530461111(微信同步)-孟經理
- 聯係電話- 0317-6689999 6165555
- 業務郵箱- 9905791@qq.com
- 公司地址- 河北省滄州市鹽山縣城南工業開發區(中原管道南廠)
- 聯係手機-15530461111(微信同步)-孟經理
版權所有:河北樱花视频在线免费观看管道有限公司 冀ICP備30849357號-6

熱線:0317-6165555
9905791@qq.com