樱花草黄色电影描述
| Socketweld Reducing Inserts Specification: | ||||||||||||||
| Size/尺寸 | 1/8″~4″ (DN6~DN100) | |||||||||||||
| Class/壓力等級 | 3000 LBS, 6000 LBS, 9000 LBS | |||||||||||||
| Type/連接形式 | Sockeweld,承插焊 | |||||||||||||
| Surface Treatment/表麵處理 | Hot Dipped Galvanizing, Epoxy & FBE Coating, Electro Polish, Sand Blasting, Soldering熱浸鍍鋅,環氧樹脂和FBE塗層,電拋光,噴砂,發黑 | |||||||||||||
| Materal/材質 | Stainless Steel, Alloy Steel, Duplex, Nickel Alloys, Low temperature Steel, Carbon Steel, Cupro Nickel不鏽鋼、合金鋼、雙相鋼、低溫鋼、碳鋼、鎳基合金 | |||||||||||||
| Manufacturing process/製造工藝 | Cutting, Heat treatment, Forging, Machining | |||||||||||||
| 鋸切、熱處理、模鍛、機加工 | ||||||||||||||
| Manufacturing Standards/製造標準 | MSS SP-79 | |||||||||||||
| Socketweld Reducing Inserts Material Grades: | ||||||||||||||
| Stainless Steel/不鏽鋼 | ASTM A182 F304, 304L, 316, 316L,310S, 316Ti,317L | |||||||||||||
| Duplex & Super Duplex Steel/雙相鋼 | ASTM A 182 – F51, F53, F55, S31803, S32205, S32550, S31254, SMO254, S32750, S32760, S32950. | |||||||||||||
| Carbon Steel/碳鋼 | ASTM/ ASME A 105, ASTM/ ASME A 350 LF 2 | |||||||||||||
| Alloy Steel/合金鋼 | ASTM / ASME A 182, ASTM / ASME F5, F9, F11,F22, F 91 | |||||||||||||
| Copper Alloy Steel/銅合金 | Copper Alloy Steel Forged Threaded 90 Deg Elbow : ASTM / ASME SB 111 UNS NO. C 10100 , C 10200 , C 10300 , C 10800 , C 12000, C 12200, C 70600 C 71500, ASTM / ASME SB 466 UNS NO. C 70600 ( CU -NI- 90/10) , C 71500 ( CU -NI- 70/30) | |||||||||||||
| Nickel Alloy/鎳合金 | ASTM / ASME SB 336, ASTM / ASME SB 564 / 160 / 163 / 472, UNS 2200 (NICKEL 200) , UNS 2201 (NICKEL 201 ) , UNS 4400 (MONEL 400 ) , UNS 8020 ( ALLOY 20 / 20 CB 3 ) , UNS 8825 INCONEL (825) , UNS 6600 (INCONEL 600 ) , UNS 6601 (INCONEL 601) , UNS 6625 (INCONEL 625) , UNS 10276 (HASTELLOY C 276) | |||||||||||||
| Socketweld Reducing Inserts Dimesions: | |||||||||||||||
| Socket Weld Pressure Class | Pipe Schedule | ||||||||||||||
| Class 3000 | S80/XH | ||||||||||||||
| Class 6000 | S160 | ||||||||||||||
| Class 9000 | XXH | ||||||||||||||
![]() |
![]() |
||||||||||||||
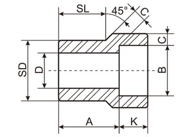
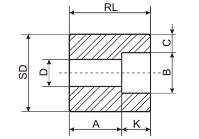
| 異徑插入件(Type 1)結構圖 | 異徑插入件(Type 2)結構圖 | ||||||||||||||
| Nom. | Type | Socket | Shank | Laying Length | Bore | Wall Min. | Length | ||||||||
| Pipe | Dia. | Depth | Dia. | A | D | C | SL | RL(Min.) | |||||||
| Size | B | Min. | SD | ||||||||||||
| 3000 | 6000 | K | 3000 | 6000 | 3000 | 6000 | 3000 | 6000 | 3000 | 6000 | 3000 | 6000 | |||
| 3/8"×1/4" | 1 | 1 | 14.35 | 10 | 17.15 | 19 | 21 | 9 | 6.5 | 3.78 | 4.6 | 14 | 16 | --- | --- |
| 1/2"×3/8" | 1 | 1 | 17.78 | 10 | 21.34 | 21 | 23 | 12.5 | 9 | 4.01 | 5.03 | 16 | 16 | --- | --- |
| 1/2"×1/4" | 1 | 1 | 14.35 | 10 | 21.34 | 21 | 21 | 9 | 6.5 | 3.78 | 4.6 | 16 | 16 | --- | --- |
| 3/4"×1/2" | 1 | 1 | 21.97 | 10 | 26.67 | 22 | 25 | 16 | 11.5 | 4.67 | 5.97 | 17 | 19 | --- | --- |
| 3/4"×3/8" | 2 | 1 | 17.78 | 10 | 26.67 | 16 | 22 | 12.5 | 9 | 4.01 | 5.03 | --- | 19 | 27 | --- |
| 3/4"×1/4" | 2 | 2 | 14.35 | 10 | 26.67 | 18 | 22 | 9 | 6.5 | 3.78 | 4.6 | --- | --- | 27 | 32 |
| 1"×3/4" | 1 | 1 | 27.31 | 13 | 33.4 | 24 | 28 | 21 | 15.5 | 4.9 | 6.96 | 19 | 21 | --- | --- |
| 1"×1/2" | 2 | 1 | 21.97 | 10 | 33.4 | 16 | 28 | 16 | 11.5 | 4.67 | 5.97 | --- | 21 | 28 | --- |
| 1"×3/8" | 2 | 2 | 17.78 | 10 | 33.4 | 18 | 22 | 12.5 | 9 | 4.01 | 5.03 | --- | --- | 28 | 33 |
| 1"×1/4" | 2 | 2 | 14.35 | 10 | 33.4 | 19 | 24 | 9 | 6.5 | 3.78 | 4.6 | --- | --- | 28 | 33 |
| 1-1/4"×1" | 1 | 1 | 34.04 | 13 | 42.16 | 25 | 30 | 26.5 | 20.5 | 5.69 | 7.92 | 21 | 22 | --- | --- |
| 1-1/4"×3/4" | 2 | 2 | 27.31 | 13 | 42.16 | 18 | 21 | 21 | 15.5 | 4.9 | 6.96 | --- | --- | 32 | 35 |
| 1-1/4"×1/2" | 2 | 2 | 21.97 | 10 | 42.16 | 19 | 22 | 16 | 11.5 | 4.67 | 5.97 | --- | --- | 32 | 35 |
| 1-1/4"×3/8" | 2 | 2 | 17.78 | 10 | 42.16 | 21 | 24 | 12.5 | 9 | 4.01 | 5.03 | --- | --- | 32 | 35 |
| 1-1/4"×1/4" | 2 | 2 | 14.35 | 10 | 42.16 | 22 | 25 | 9 | 6.5 | 3.78 | 4.6 | --- | --- | 32 | 35 |
| 1-1/2"×1-1/4" | 1 | 1 | 42.8 | 13 | 48.26 | 28 | 35 | 35 | 29.5 | 6.07 | 7.92 | 22 | 25 | --- | --- |
| 1-1/2"×1" | 2 | 1 | 34.04 | 13 | 48.26 | 18 | 29 | 26.5 | 20.5 | 5.69 | 7.92 | 25 | 33 | ||
| 1-1/2"×3/4" | 2 | 2 | 27.31 | 13 | 48.26 | 19 | 25 | 21 | 15.5 | 4.9 | 6.96 | --- | --- | 33 | 40 |
| 1-1/2"×1/2" | 2 | 2 | 21.97 | 10 | 48.26 | 21 | 27 | 16 | 11.5 | 4.67 | 5.97 | --- | --- | 33 | 40 |
| 1-1/2"×3/8" | 2 | 2 | 17.78 | 10 | 48.26 | 22 | 28 | 12.5 | 9 | 4.01 | 5.03 | --- | --- | 33 | 40 |
| 2"×1-1/2" | 1 | 1 | 48.9 | 13 | 60.32 | 32 | 39 | 41 | 34 | 6.35 | 8.9 | 25 | 28 | --- | --- |
| 2"×1-1/4" | 2 | 2 | 42.8 | 13 | 60.32 | 21 | 24 | 35 | 29.5 | 6.07 | 7.92 | --- | --- | 38 | 41 |
| 2"×1" | 2 | 2 | 34.04 | 13 | 60.32 | 22 | 25 | 26.5 | 21 | 5.69 | 7.92 | --- | --- | 38 | 41 |
| 2"×3/4" | 2 | 2 | 27.31 | 13 | 60.32 | 24 | 27 | 21 | 15.5 | 4.9 | 6.96 | --- | --- | 38 | 41 |
| 2"×1/2" | 2 | 2 | 21.97 | 10 | 60.32 | 25 | 28 | 16 | 11.5 | 4.67 | 5.97 | --- | --- | 38 | 41 |
| 2-1/2"×2" | 1 | 1 | 61.37 | 16 | 73.02 | 46 | 43 | 52.5 | 43 | 6.93 | 10.92 | 32 | 38 | --- | --- |
| 2-1/2"×1-1/2" | 2 | 2 | 48.9 | 13 | 73.02 | 35 | 35 | 41 | 34 | 6.35 | --- | --- | --- | 54 | 54 |
| 2-1/2"×1-1/4" | 2 | 2 | 42.8 | 13 | 73.02 | 37 | 37 | 35 | 29.5 | 6.07 | --- | --- | --- | 54 | 54 |
| 2-1/2"×1" | 2 | 2 | 34.04 | 13 | 73.02 | 38 | 38 | 26.5 | 21 | 5.69 | --- | --- | --- | 54 | 54 |
| 2-1/2"×3/4" | 2 | 2 | 27.31 | 13 | 73.02 | 40 | 38 | 21 | 15.5 | 4.9 | --- | --- | --- | 54 | 54 |
| 3"×2-1/2" | 1 | 1 | 74.07 | 16 | 88.9 | 38 | 57 | 62.5 | 54 | 8.76 | --- | 32 | 45 | --- | --- |
| 3"×2" | 2 | 2 | 61.37 | 16 | 88.9 | 25 | 32 | 52.5 | 43 | 6.93 | --- | --- | --- | 48 | 54 |
| 3"×1-1/2" | 2 | 2 | 48.9 | 13 | 88.9 | 29 | 32 | 41 | 34 | 6.35 | --- | --- | --- | 48 | 54 |
| 3"×1-1/4" | 2 | 2 | 42.8 | 13 | 88.9 | 30 | 32 | 35 | 29.5 | 6.07 | --- | --- | --- | 48 | 54 |
| 3"×1" | 2 | 2 | 34.04 | 13 | 88.9 | 32 | 32 | 26.5 | 21 | 5.69 | --- | --- | --- | 48 | 54 |
| 4"×3" | 2 | --- | 90.04 | 16 | 114.3 | 33 | --- | 78 | --- | 9.5 | --- | --- | --- | 60 | --- |
| 4"×2-1/2" | 2 | --- | 74.07 | 16 | 114.3 | 38 | --- | 62.5 | --- | 8.76 | --- | --- | --- | 60 | --- |
| 4"×2" | 2 | --- | 61.37 | 16 | 114.3 | 38 | --- | 52.5 | --- | 6.93 | --- | --- | --- | 60 | --- |
| 4"×1-1/2" | 2 | --- | 48.9 | 13 | 114.3 | 42 | --- | 41 | --- | 6.35 | --- | --- | --- | 60 | --- |
| 4"×1-1/4" | 2 | --- | 42.8 | 13 | 114.3 | 43 | --- | 35 | --- | 6.07 | --- | --- | --- | 60 | --- |
| (1) Dimensions in Millimeters. |
| (2) At the option of the manufacturer type 2 reducer may be furnished in type 1 configuration. |
上一個
Bushing-補芯
下一個
電廠用鍛製接管座
- 聯係電話- 0317-6689999 6165555
- 業務郵箱- 9905791@qq.com
- 公司地址- 河北省滄州市鹽山縣城南工業開發區(中原管道南廠)
- 聯係手機-15530461111(微信同步)-孟經理
- 聯係電話- 0317-6689999 6165555
- 業務郵箱- 9905791@qq.com
- 公司地址- 河北省滄州市鹽山縣城南工業開發區(中原管道南廠)
- 聯係手機-15530461111(微信同步)-孟經理
版權所有:河北樱花视频在线免费观看管道有限公司 冀ICP備30849357號-6


熱線:0317-6165555
9905791@qq.com